承義興業有限公司 Logo

產品目錄 Product

Product Image

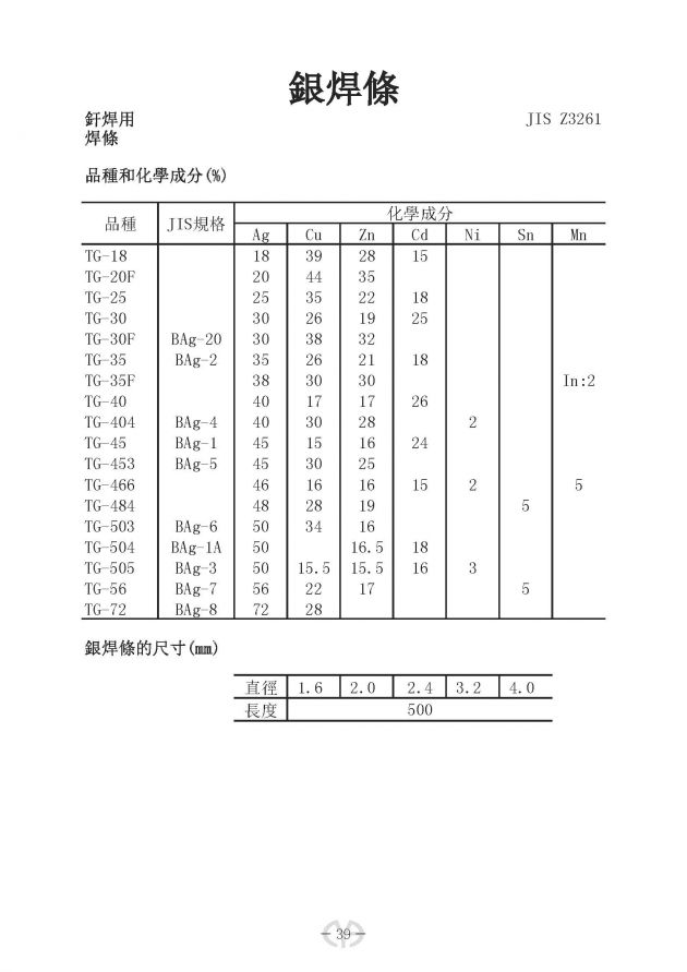
銀焊條

目錄下載
釬焊用焊條